Teoria bez praktyki byłaby niczym. Praktyka bez obliczeń również. Stąd dziś artykuł w dużej mierze cyfrowy. Nie ze względu na zera i jedynki rządzące światem. Po prostu trochę się tymi cyframi pobawimy. Policzymy to i tamto. Konkretnie pierwszy z zapowiadanych wcześniej trzech przykładów związanych z rezystorowym dzielnikiem napięć.
O rezystorowym dzielniku napięć pisałem ostatnio we wpisie pod jakże zacnym tytułem: „Dzielnik napięcia na rezystorach”. Jeśli nie znasz teorii związanej z dzisiejszymi przykładami to zajrzyj do podlinkowanego wpisu. Nie będę wracał do tego jak ów dzielnik działa, zarzucę jedynie szybkim przypomnieniem. Schemat i wzór. To wszystko.
Dzielnik napięcia – turboprzypomnienie w telegraficznym skrócie
Nie będę się rozpisywał. Najpierw schemat.
Wszystko powinno być jasne. Mamy jakieś źródło zasilania, które daje nam napięcie $\rm{U_{WE}}$ na wejściu dzielnika. Dwa rezystory dzielą napięcie wejściowe. Nas akurat interesuje napięcie na rezystorze $\rm{R_{2}}$. Akurat spadek napięcia na nim oznaczyliśmy jako napięcie wyjściowe $\rm{U_{WY}}$. Czas zatem na wzór.
$\rm{U_{WY}=U_{WE} \cdot \frac{R_{2}}{R_{1}+R_{2}}}$
Napięcie na wyjściu (czyli rezystorze $\rm{R_{2}}$) stanowi jakąś część napięcia wejściowego. Mnożymy po prostu tę „część” przez wartość napięcia wejściowego. Uzyskujemy wynik, czyli spadek napięcia na drugim rezystorze. Analogiczny wzór można ułożyć dla pierwszego z rezystorów. Pisałem o tym w poprzednim wpisie.
Dzielnik napięcia – przykład pierwszy
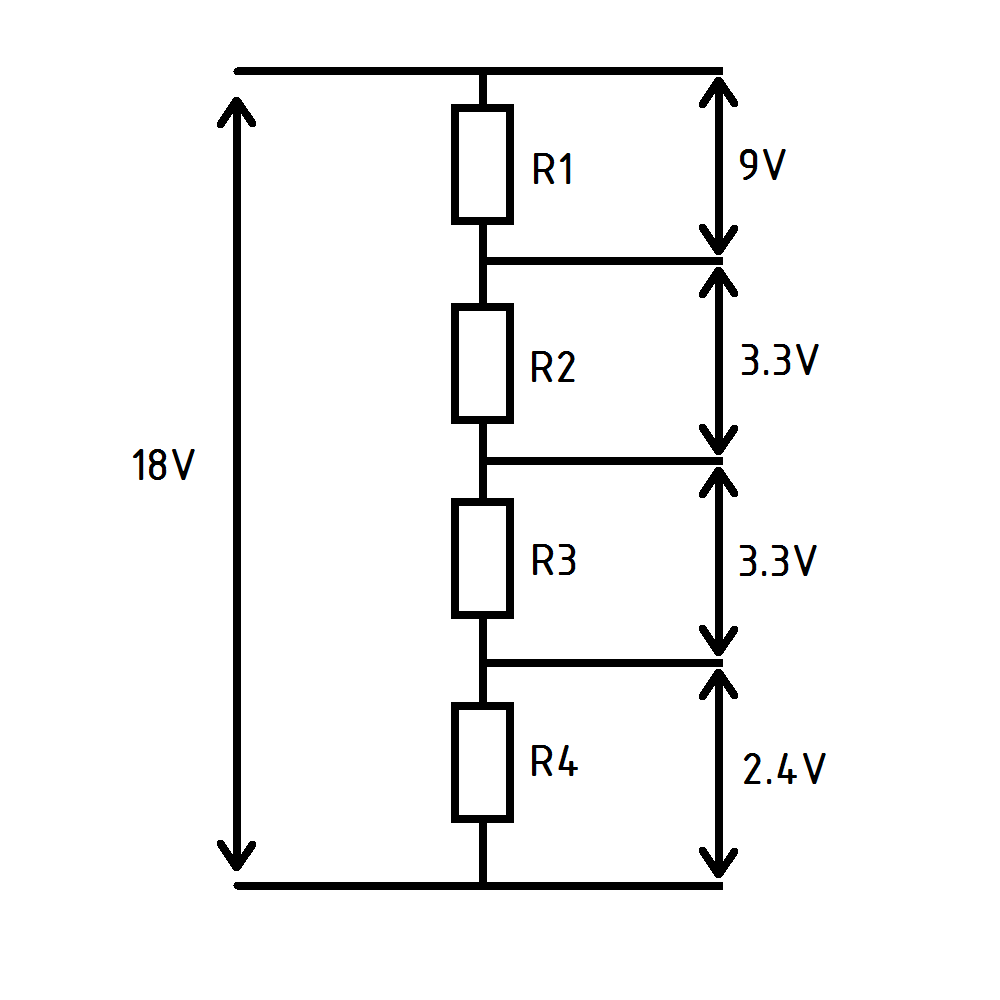
Wyobraź sobie, że masz do dyspozycji cudowne ogniwo słoneczne. Istne perpetuum mobile, które bez względu na warunki pogodowe daje Ci równe 18V na wyjściu. Ty natomiast potrzebujesz zasilić kilka swoich projektów. Jesteś człowiekiem oszczędnym i szanujesz przyrodę, więc wybór może być tylko jeden. Oczywiście jest nim Twoje ogniwo słoneczne. Potrzebujesz czterech napięć: 9V, 2×3.3V, 2.4V. Do dyspozycji masz całą gamę rezystorów ćwierćwatowych. Wszystkie rezystory należą do typoszeregu E24. Podsumowując…
- źródło zasilania: 18V
- napięcia wyjściowe: 9V, 3.3V, 3.3V, 2.4V
- do dyspozycji rezystory z typoszeregu E24
Pozostaje narysować jakiś fajny schemat, który zobrazuje sytuację. No i jeszcze obliczenia się przydadzą. Wiadomo!
Schemat obrazuje to, co wiemy. Źródło zasilania daje nam stałe napięcie o wartości 18V. Na wyjściu dzielnika chcemy mieć dostępne cztery różne napięcia. Dokładnie jeden raz 9V, dwa razy po 3.3V oraz jeden raz 2.4V. Musimy dobrać odpowiednie rezystory. Warto zauważyć, że przykład jest dosyć prosty. Nie musimy się martwić o prądy, jakie wystąpią w układzie. Jeśli nie obchodzą nas prądy to i moc znamionowa rezystorów jest nieistotna. Oczywiście w praktyce byłaby istotna, ale mamy tu do czynienia tylko z przykładem. W dużej mierze teoretycznym przykładem.
Pierwsza rzecz, jaka winna nam się rzucić w oczy, to dwa napięcia wyjściowe po 3.3V każde. Jeśli napięcia mają być równe to i rezystory $\rm{R_{2}}$ i $\rm{R_{3}}$ mogą być takie same. Od razu mamy nieco mniej roboty. Zaczniemy jednak po kolei. Najpierw dane.
Co mamy podane?
$\rm{U_{WE}=18V}$ – napięcie wejściowe
$\rm{U_{WY1}=9V}$ – oczekiwane napięcie na rezystorze $\rm{R_{1}}$
$\rm{U_{WY2}=3.3V}$ – oczekiwane napięcie na rezystorze $\rm{R_{2}}$
$\rm{U_{WY3}=3.3V}$ – oczekiwane napięcie na rezystorze $\rm{R_{3}}$
$\rm{U_{WY4}=2.4V}$ – oczekiwane napięcie na rezystorze $\rm{R_{4}}$
Co chcemy policzyć?
Nie znamy wartości rezystorów $\rm{R_{1}}$, $\rm{R_{2}}$, $\rm{R_{3}}$ oraz $\rm{R_{4}}$. Musimy je dobrać. Zaczniemy od rezystora pierwszego.
Rezystor R1
Chcemy, by na rezystorze $\rm{R_{1}}$ występował spadek napięcia równy $\rm{U_{WY1}=9V}$. No to zapiszemy sobie równanie.
$\rm{U_{WY1}=U_{WE} \cdot \frac{R_{1}}{R_{X}}}$
Cóż to za $\rm{R_{X}}$ pojawiło się w równaniu? Jak widzisz mamy tu równanie opisujące fragment dzielnika napięcia. Mnożymy napięcie wejściowe przez ułamek określający część napięcia jaka „odłoży się” na $\rm{R_{1}}$. W liczniku mamy wartość rezystancji pierwszego rezystora. Mianownik to natomiast suma rezystancji wszystkich czterech rezystorów. Jeśli nie do końca ogarniasz to spójrz na początek wpisu. Było tam krótkie przypomnienie. Dzielnik napięcia na dwóch rezystorach i wzór. Powinno Ci się wszystko rozjaśnić.
Tak naprawdę $\rm{R_{X}}$ to uproszczenie. Możemy to zapisać w następujący sposób.
$\rm{R_{X}=R_{1}+R_{2}+R_{3}+R_{4}}$
Teraz wszystko formalnie się zgadza. No, a jeśli mamy wzór i znamy niektóre wartości to…
$\rm{U_{WY1}=U_{WE} \cdot \frac{R_{1}}{R_{X}}}$
To sobie te wartości podstawimy.
$\rm{9V=18V \cdot \frac{R_{1}}{R_{X}}}$
Hm… O czymś zapomnieliśmy? O rezystorze, który mamy tak naprawdę nie obliczyć, a dobrać. Subtelna różnica. Szybki ruch ręką i z pudła wyciągamy rezystor 24kΩ. Jak się uprzeć mogliśmy wziąć praktycznie dowolony z typoszeregu E24. Mamy zatem rezystor, więc równanie prezentuje się tak.
$\rm{9V=18V \cdot \frac{24kΩ}{R_{X}}}$
Moglibyśmy w tym momencie zakończyć. Przecież już mamy rezystor $\rm{R_{1}}$. Ba! Nawet nie musieliśmy go obliczać. Tak nam się wzięło z pudełka… Mamy jednak jeszcze jedną niewiadomą. Jest to wartość sumy wszystkich czterech rezystancji, kryjąca się pod znakiem $\rm{R_{X}}$. Policzmy ją.
$\rm{9V=18V \cdot \frac{24kΩ}{R_{X}}}$
Może zapiszemy to tak.
$\rm{9V=\frac{18V \cdot 24kΩ}{R_{X}}}$
Weźmy pomnóżmy obie strony równania przez $\rm{R_{X}}$.
$\rm{9V \cdot R_{X}=18V \cdot 24kΩ}$
W kolejnym kroku pozbędziemy się jednostki (wolta) i podzielimy obie strony równania przez $\rm{9}$.
$\rm{R_{X}=2 \cdot 24kΩ}$
Rachunek jest prosty, a sam wynik już chyba znany.
$\rm{R_{X}=48kΩ}$
Wiemy już, że suma wartości wszystkich rezystancji w dzielniku wynosi 48kΩ. Wszystko ładnie i pięknie, ale… Mogliśmy to policzyć dużo szybciej. Domyślasz się jak? Podpowiem. W punktach, myślę że tak będzie bardziej intuicyjnie.
- dzielnik napięcia dzieli napięcie wejściowe na kilka napięć wyjściowych
- napięcia wyjściowe są ściśle związane z zastosowanymi rezystorami
- suma napięć wyjściowych jest równa napięciu wejściowemu
- dodatkowo rezystory dzielą napięcie wejściowe w odpowiednich stosunkach
Na wejściu dzielnika mamy 18V. Na pierwszym z rezystorów chcemy mieć napięcie równe 9V. Od razu wiemy zatem, że na pierwszym rezystorze będzie połowa napięcia zasilania. Jeśli tak to wartość tego rezystora będzie stanowiła połowę sumy wszystkich rezystancji dzielnika. Stąd prosty rachunek. Jeśli dobrałeś sobie 24kΩ jako $\rm{R_{1}}$ to nie ma siły, $\rm{R_{X}}$ musi się równać 48kΩ. Kumasz?
Podsumowując wiemy, że:
- $\rm{R_{1}}$ ma wartość 24kΩ
- $\rm{R_{X}}$ równe jest 48kΩ
No to weźmy się za kolejny rezystor. Albo rezystory. Jak kto woli.
Rezystor R2 i R3
Praktycznie wszystko już mamy. Wiemy, że rezystancje obu rezystorów będą takie same. Wynika to z faktu, iż chcemy uzyskać identyczne spadki napięć. Dokładnie 3.3V na każdym z nich. Pozostaje nam tylko ułożyć odpowiednie równanie i je rozwiązać.
Zakładamy, że:
- $\rm{U_{WY2}=U_{WY3}=3.3V}$
- $\rm{U_{WE}=18V}$
- $\rm{R_{2}=R_{3}}$
- $\rm{R_{X}}$
To naprawdę wszystko czego potrzebujemy. Równanie teraz machniemy.
$\rm{U_{WY2}=U_{WE} \cdot \frac{R_{2}}{R_{X}}}$
Przeróbmy to tak, by po lewej stronie zostało samo $\rm{R_{2}}$. Nie podpowiadam jak dokładnie to zrobić. Spróbuj sam ogarnąć. W razie problemów, pisz w komentarzach.
$\rm{R_{2}=R_{X} \cdot \frac{U_{WY2}}{U_{WE}}}$
$\rm{R_{2}=48kΩ \cdot \frac{3.3V}{18V}}$
$\rm{R_{2}=8.8kΩ}$
Rzec można zatem…
$\rm{R_{2}=8.8kΩ}$
$\rm{R_{3}=8.8kΩ}$
Wszystek jasne?
Rezystor R4
Tu będzie jeszcze prościej. Oczywiście można to policzyć na dwa sposoby. Pierwszy to oczywiście skorzystanie z ogólnego wzoru i dostosowanie go do własnych potrzeb. Tak, jak w przypadku rezystorów $\rm{R_{2}}$ i $\rm{R_{3}}$. Tylko, że warto sobie pewne rzeczy upraszczać. Znamy przecież sumaryczną wartość wszystkich rezystancji w dzielniku, prawda? Wynosi ona dokładnie 48kΩ. Znamy też wartości trzech rezystorów, a czwartego właśnie szukamy. Nic prostszego! Wystarczy skorzystać z tych danych, trochę dodawania i odejmowania, i mamy wynik.
$\rm{R_{X}=R_{1}+R_{2}+R_{3}+R_{4}}$
$\rm{48kΩ=24kΩ+8.8kΩ+8.8kΩ+R_{4}}$
Tu odejmiesz, a tam dodasz…
$\rm{R_{4}=48kΩ-(24kΩ+8.8kΩ+8.8kΩ)}$
$\rm{R_{4}=48kΩ-24kΩ-8.8kΩ-8.8kΩ)}$
$\rm{R_{4}=6.4kΩ}$
Podsumowując…
$\rm{R_{1}=24kΩ}$
$\rm{R_{2}=8.8kΩ}$
$\rm{R_{3}=8.8kΩ}$
$\rm{R_{4}=6.4kΩ}$
Tyle teorii. Teraz praktyka 🙂
Dobieramy właściwe rezystory
Początkowym założeniem był fakt, iż mamy do dyspozycji rezystory należące do typoszeregu E24. Niestety, albo i stety, jedynie pierwszy rezystor należy do tej grupy. Ani 8.8kΩ, ani też 6.4kΩ nie należą do najbardziej popularnej grupy rezystorów. Moglibyśmy oczywiście wziąć…
- rezystory 6.2kΩ oraz 200Ω, połączyć szeregowo, wyszłoby 6.4kΩ
- rezystory 8.2kΩ oraz dwa 300Ω, połączyć szeregowo, wyszłoby 8.8kΩ
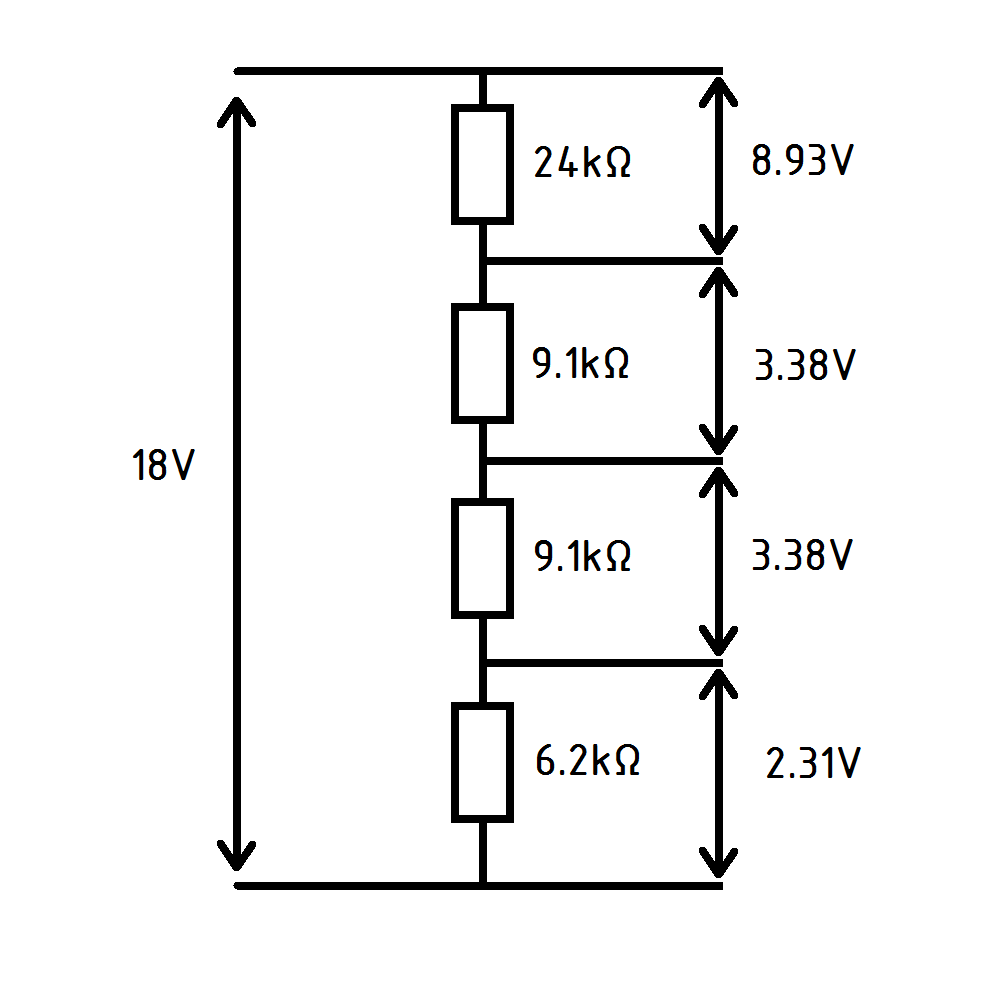
…ale chcemy zaoszczędzić na elementach. Sprawdźmy więc jakie wartości rezystancji z typoszeregu E24 są najbliższe obliczonym. Zweryfikujemy też czy bardzo zmienią się poszczególne napięcia.
- $\rm{R_{1}=24kΩ}$ należy do E24, więc zostawiamy go w spokoju
- dla $\rm{R_{2}=8.8kΩ}$ i $\rm{R_{3}=8.8kΩ}$ najbliższa wartość to 9.1kΩ
- dla $\rm{R_{4}=6.4kΩ}$ najbliższa wartość to 6.2kΩ
Wartości już znamy. Pora na wrzucenie ich do „zmodyfikowanego” dzielnika napięć. Zobaczymy czy uzyskane spadki napięć znacząco się różnią od wcześniejszych wartości.
No cóż, teraz wystarczy to wszystko przeliczyć. Oznaczenia będą takie same. $\rm{R_{X}}$ to rzecz jasna suma wszystkich rezystancji. W tym wypadku czterech.
$\rm{R_{X}=R_{1}+R_{2}+R_{3}+R_{4}}$
$\rm{R_{X}=24kΩ+9.1kΩ+9.1kΩ+6.2kΩ}$
$\rm{R_{X}=48.4kΩ}$
Jak widać suma rezystancji jest podobna. Wcześniej wynosiła ona 48kΩ wzrosła zatem zaledwie o 400Ω. Oczywiście owo „zaledwie” zależy od zastosowania, oczekiwanej precyzji, etc. Teraz policzymy same spadki napięć na rezystorach.
$\rm{U_{WY1}=U_{WE} \cdot \frac{R_{1}}{R_{X}}=18V \cdot \frac{24kΩ}{48.4kΩ} \approx 8.93V}$
$\rm{U_{WY2}=U_{WE} \cdot \frac{R_{2}}{R_{X}}=18V \cdot \frac{9.1kΩ}{48.4kΩ} \approx 3.38V}$
$\rm{U_{WY3}=U_{WE} \cdot \frac{R_{3}}{R_{X}}=18V \cdot \frac{9.1kΩ}{48.4kΩ} \approx 3.38V}$
$\rm{U_{WY4}=U_{WE} \cdot \frac{R_{4}}{R_{X}}=18V \cdot \frac{6.2kΩ}{48.4kΩ} \approx 2.31V}$
Na oko wyniki nie różnią się sporo. Żeby było łatwiej porównać „co i jak” wrzućmy to wszystko do tabelki. Kolumnę ze spadkami napięć dla rezystorów obliczonych „teoretycznie” nazwijmy po prostu „PRZED”. Drugą kolumnę, z wartościami napięć po dobraniu właściwych rezystorów, nazwijmy „PO”. Ostatnia kolumna pt. „RÓŻNICA” będzie zawierać różnicę pomiędzy napięciem założonym, a tym uzyskanym w wyniku obliczeń i dobrania właściwych rezystorów. No to do dzieła.
| PRZED | PO | RÓŻNICA | |
| $\rm{U_{WY1}}$ | 9.00V | 8.93V | -0.07V |
| $\rm{U_{WY2}}$ | 3.30V | 3.38V | +0.08V |
| $\rm{U_{WY3}}$ | 3.30V | 3.38V | +0.08V |
| $\rm{U_{WY4}}$ | 2.40V | 2.31V | -0.09V |
Wyniki i różnice są jakie są. Wg obliczeń różnice nie powinny przekraczać ±0.10V. Dużo? Mało? Wszystko zależy od zastosowania, wymaganej precyzji i tolerancji napięć wejściowych zasilanych urządzeń.
Jak to wygląda w praktyce?
Jak już tak wszystko sprawdzamy i weryfikujemy to zbudujmy sobie ten policzony dzielnik. Wykorzystamy do tego celu:
- rezystory 24kΩ, 9.1kΩ oraz 6.2kΩ o mocy znamionowej 250mW i tolerancji 5%
- zasilacz laboratoryjny jako źródło napięcia stałego 18V
- jakieś przewody i tzw. „zworki do płytek stykowych”
- płytkę stykową (prototypową, breadboard)
- multimetr, który zweryfikuje wszelkie spięcia, spadki i napięcia 🙂
Przypomnijmy sobie zawczasu schemat z naniesionymi teoretyczno-praktycznymi wartościami, że tak ujmę.
Na wstępie warto zauważyć, że używamy elementów rzeczywistych, które nie są idealne. Przykładowo wartość znamionowa pierwszego rezystora wynosi 24kΩ, a tolerancja 5%. Znaczy to tyle, iż w praktyce jego rzeczywista wartość rezystancji może się zawierać w przedziale od 22.8kΩ do 25.2kΩ. Dla wszystkich rezystorów będzie to wyglądać tak, jak w tabelce… A przynajmniej powinno.
| WARTOŚĆ ZNAMIONOWA | MINIMUM | MAKSIMUM | |
| $\rm{R_{1}}$ | 24kΩ | 22 800Ω | 25 200Ω |
| $\rm{R_{2}}$ | 9.1kΩ | 8 645Ω | 9 555Ω |
| $\rm{R_{3}}$ | 9.1kΩ | 8 645Ω | 9 555Ω |
| $\rm{R_{4}}$ | 6.2kΩ | 5 890Ω | 6 510Ω |
Jak już tabelkę machnęliśmy to może sprawdzimy to sobie omomierzem? Właściwie to użyjemy funkcji pomiaru rezystancji w multimetrze. Samego omomierza nie posiadam. Jeszcze nie.
Pierwszy rezystor – 24kΩ
Odpalamy nasz multimetr, ustawiamy pokrętło w pozycji omomierza. Bierzemy rezystor i…
Mamy wynik. Miernik rezystancji w naszym multimetrze wskazał 23.464kΩ. Różnica pomiędzy wartością znamionową 24kΩ, a zmierzoną wynosi 536Ω. Odchyłka wynosi zaledwie 2.2%, przy dopuszczalnej znamionowej tolerancji 5%. Wszystko gra.
Drugi rezystor – 9.1kΩ
Wzięliśmy sobie do dzielnika dwa rezystory 9.1kΩ. Zmierzmy rezystancję pierwszego z nich.
Wyjszło nam 9.170kΩ, zatem różnica pomiędzy wartością znamionową i zmierzoną wynosi 70Ω. To bardzo blisko wartości znamionowej! Procentowa odchyłka to niespełna 0.8%.
Trzeci rezystor – 9.1kΩ
Teraz zmierzymy drugi z rezystorów 9.1kΩ. Wyjęty z tej samej paczuszki, ale jednak inny.
Wynik to 9.113kΩ. Różnica jest jeszcze mniejsza, bo wynosi ledwie 13Ω. Procentowo to praktycznie 0.1%, czyli jeden promil. Oj, chyba dobra partia się trafiła.
Czwarty rezystor – 6.2kΩ
Ostatni gagatek to rezystor nieco ponad sześcioomowy. Jego wartość znamionowa to dokładnie 6.2kΩ, natomiast wartość zmierzona…
Omomierz wskazał 6.135kΩ. To 35Ω więcej, niż wynosi rezystancja znamionowa. Procentowo to niewiele ponad pół procenta, około 0.6%. Mało, czyli bardzo dobrze.
Trochę o dokładności pomiarów
Jak widać wszystko się zgadza. Warto mieć na uwadze, że powyższe pomiary również obarczone są pewnym błędem. W przypadku multimetru Sanwa PC5000a wszystkie pomiary były wykonywane na zakresie „do 50.000kΩ”. Dokładność na tym zakresie to 0.2% rdg + 6 dgt według dołączonej do multimetru instrukcji obsługi. No fajnie, tylko co oznacza ów zapis? No i co oznacza „rdg” i „dgt”? To nic innego jak skróty angielskich nazw.
- rdg to reading, czyli odczyt, wartość wskazana, wskazanie
- dgt to digit, czyli cyfra
W praktyce oznacza to, że do poszczególnych pomiarów musielibyśmy jeszcze dopisać pewną procentową niepewność pomiaru. Dla przykładu, dla 24kΩ, czyli wyniku 23.464kΩ wyglądałoby to następująco. Wartość odczytana z ekranu, czyli 23.464kΩ to nasze rdg, natomiast dgt to tak naprawdę rozdzielczość, najmniej znacząca cyfra rzec można. Na ekranie wartości są podawane z dokładnością do 0.001kΩ, czyli tak naprawdę do 1Ω. To właśnie jest nasze dgt. Nasz błąd policzymy tak.
0.2% rdg + 6 dgt
0.2% ⋅ 23.464kΩ + 6 ⋅ 0.001kΩ
0.046928kΩ + 0.006kΩ
0.052928kΩ
Błąd wg wzoru wynosi zatem ±0.052 928kΩ, czyli ±52.928Ω. Biorąc pod uwagę, że i tak wynik jest podawany z dokładnością do 1Ω, śmiało można stwierdzić prosty fakt. Wartość rzeczywista rezystora 24kΩ wyniosła 23464Ω z błędem ±53Ω. Procentowo to mniej więcej ±0.2%. Niedużo. Ktoś się może czepić precyzji tegoż sformułowania, ale nie oto tutaj chodziło.
Moglibyśmy jeszcze bardziej szczegółowo to rozkminiać. My jednak nie będziemy aż tak wnikliwi. Do późniejszych przeliczeń użyjemy wyników, jakie uzyskaliśmy na multimetrze. Poza tym o wszelkiego rodzaju pomiarach jeszcze napiszę to i owo, innym razem. O niedokładnościach napisałem, bo warto mieć świadomość, że takowe istnieją. Jeśli jednak nie projektujemy dzielnika dla NASA to pewnie nie musimy się nimi przejmować. Chyba że projektujemy jakieś turboprecyzyjne urządzenie. Jednakże w takim wypadku zapewne użyjemy precyzyjniejszych rezystorów, o mniejszej tolerancji. Wróćmy jednak do meritum, czyli naszego dzielnika. Złożony na płytce stykowej układ prezentuje się następująco.
No fajnie. Tylko jakie napięcia mieliśmy uzyskać teoretycznie, a jakie uzyskaliśmy w praktyce? Najpierw zmierzmy sobie napięcie, jakie jest podawane z zasilacza. Załóżmy, że ustawione jest te 18V i niech to będzie nasze napięcie znamionowe.
Na wejściu dzielnika zmierzyliśmy napięcie 18.038V, czyli generalnie „w normie”. Za chwilę pomierzymy sobie wartości napięć (spadków napięć) na poszczególnych rezystorach. Warto mieć na uwadze, że dzielnik nie jest niczym obciążony. Przez rezystor przepływa jakiś niewielki prąd. Jaki?
Jak widać naprawdę niewielki. Dokładnie (no, oczywiście wynik jest obarczony jakimś błędem) wyszło 375.69μA. To ledwie jedna-trzecia część miliampera. Bardzo mało. Jeśli przyjmiemy sobie, że suma rezystancji rezystorów to 6.2kΩ+9.1kΩ+9.1kΩ+24kΩ, czyli 48.4kΩ, natomiast prąd to w przybliżeniu 0.4mA to… Szacowana moc, jaka wydziela się na takim nieobciążonym dzielniku wynosi niespełna 8mW. Osiem miliwatów, czyli osiem tysięcznych części wata. Pali się warsztat? Nie tym razem. Wróćmy jednak do spadków napięć na rezystorach.
Pomiar spadku napięcia na rezystorze 24kΩ
Na największym z rezystorów wyszło nam 8.823V. Jak pamiętamy oczekiwana wartość (po korektach) wynosiła 8.93V. Mamy zatem różnicę rzędu 0.107V, czyli 107mV. Procentowo to jakieś 1.2% względem oczekiwanej przez nas wartości 8.93V. Różnica niewielka. Jak już się rozpędziliśmy to może sprawdźmy jaki jest błąd pomiaru w tym przypadku? Tak z ciekawości. Zrobimy to tylko dla tego rezystora. Tak, by nie zaciemniać obrazu (w chwili pisania tego zdania licznik dobił już do 2250 słów…).
Mierzymy napięcie DC, czyli stałe, rzędu ośmiu woltów. Różnica potencjałów 8V w przypadku tego multimetru mieści się w zakresie do 50.000V. Dokładność dla tego zakresu, wg wzoru ±(a% rdg + b ⋅ dgt) jest opisana jako 0.03% + 2. Warto dodać, że producent podaje informacje iż dokładności są podane dla pomiarów wykonywanych w następujących warunkach:
- temperatura 23°C ± 5°
- wilgotność względna do 75%
Wróćmy jednak do naszego pomiaru. Mamy wynik 8.823V i dokładność podaną jako 0.03%+2. Policzmy więc to „krok po kroku”.
- wartość zmierzona to 8.823V
- dokładność dla zakresu do 50.000V to 0.03%+2
- dokładność jest podana zgodnie ze wzorem ±(a% rdg + b ⋅ dgt)
- rdg to wartość odczytana, czyli 8.823V
- dgt to rozdzielczość, czyli 0.001V
- współczynnik a% to oczywiście 0.03%
- współczynnik b równy jest 2
Jak już wszystko wiemy to wystarczy to podstawić do wzoru.
±(a% rdg + b ⋅ dgt)
±(0.03% ⋅ 8.823V + 2 ⋅ 0.001V)
±(0.0026469V + 0.002V)
±0.0046469V
Wyszło nam ±0.0046469V. Biorąc pod uwagę, że wyniki podawane są z dokładnością do 0.001V można śmiało zaokrąglić tę (nie)dokładność. Będziemy mieli zatem ±0.005V, czyli tak naprawdę zaledwie 5mV. To całkiem niezła dokładność jak na nasze potrzeby. Wynik pomiaru można zatem zapisać jako (8.823±0.005)V. Basta.
Pomiar spadku napięcia na rezystorze 9.1kΩ – pierwszym
Na pierwszym z rezystorów chcieliśmy uzyskać spadek napięcia 3.38V. Mówimy cały czas o spadkach napięć „po korekcie”. Warto przypomnieć, że nasz omomierz w mierniku uniwersalnym wskazał wartość 9.170kΩ dla tego rezystora. Jaki spadek napięcia uzyskaliśmy w praktyce?
3.4508V taki jest odczyt, co widać na powyższym zdjęciu z pomiaru. Różnica jest, ale czy duża? Najpierw weźmy pod uwagę fakt, że rezystancja znamionowa to 9.1kΩ, a zmierzona to 9.170kΩ. Ciut większa. Jeśli rezystancja jest ciut większa to i spadek napięcia może być o odpowiednią „ciutkę” większy.
Chcieliśmy uzyskać wynik (docelowo) 3.38V – napięcie podaliśmy zatem co do 0.01V. Tak też zaokrąglijmy sobie napięcie odczytane z multimetru. Będziemy mieli zatem odczyt 3.45V. Różnica to 0.07V, procentowo to jakieś 2% względem wartości zakładanej (czyli względem 3.38V). Tragedii nie ma biorąc pod uwagę, że dokładność pomiaru napięcia to jakieś ±0.1% w tym przypadku.
Pomiar spadku napięcia na rezystorze 9.1kΩ – drugim
Na drugim z rezystorów zmierzyliśmy spadek napięcia 3.4319V, więc bardzo podobny jak poprzednio.
Oczywiście tu też chcieliśmy uzyskać 3.38V. Prawie nam się udało. Jednakże prawie czasem robi różnicę.
Pomiar spadku napięcia na rezystorze 6.2kΩ
Na deser został nam poczciwy rezystor o znamionowej wartości 6200Ω, czyli po prostu 6.2kΩ.
Różnica napięć na tymże oporniku wyniosła – bagatela – 2.3107V. Najmniejszy rezystor to i najmniejszy spadek napięcia, prawda? Gwoli ścisłości, chcieliśmy na nim uzyskać 2.31V i rzec można, że się to nawet udało.
Wrzućmy jeszcze te napięcia do tabelki
Tak, by fajnie się porównywało.
| NAPIĘCIE TEORETYCZNE | NAPIĘCIE SKORYGOWANE | NAPIĘCIE ZMIERZONE | |
| $\rm{R_{1}=24kΩ}$ | 9.00V | 8.93V | 8.82V |
| $\rm{R_{2}=9.1kΩ}$ | 3.30V | 3.38V | 3.45V |
| $\rm{R_{3}=9.1kΩ}$ | 3.30V | 3.38V | 3.43V |
| $\rm{R_{4}=6.2kΩ}$ | 2.40V | 2.31V | 2.31V |
Od razu widać różnice. Wyjaśnię jeszcze „co autor miał na myśli”. Jako „napięcie teoretyczne” wziąłem wartości napięć z samego początku naszych rozważań. Te, które mieliśmy podane w przykładzie jako docelowe. Później te napięcia skorygowaliśmy, bo mieliśmy do dyspozycji określone wartości rezystancji. Stąd kolejna kolumna tabeli zatytułowana „napięcie skorygowane”. Na koniec, całkiem niedawno zresztą, poskładaliśmy nasz dzielnik na płytce stykowej. Breadboard, jak kto woli. Jak już dzielnik poskładaliśmy to i różnie ciekawe rzeczy pomierzyliśmy. Między innymi spadki napięć na rezystorach. Tak też powstała ostatnia kolumna, czyli „napięcie zmierzone”.
Warto zauważyć, że w żadnym wypadku nie udało nam się idealnie wpasować w wartość, jaką sobie założyliśmy na samym początku. Jest to całkiem logiczne, bo były to wartości „z kapelusza”. Skorygowaliśmy je później, biorąc pod uwagę rezystory z typoszeregu E24. Tak naprawdę powinniśmy porównywać bezpośrednio napięcia skorygowane i zmierzone. Jak widać tu jest nieco lepiej i nawet udało nam się uzyskać niemalże idealną wartość w przypadku rezystora 6.2kΩ.
Jak już sobie podsumowujemy to i tamto to przypomnijmy jeszcze, jaki prąd zmierzyliśmy. Chodzi o wartość natężenia prądu przepływającego przez nieobciążony dzielnik rezystorowy. Wartość ta wyniosła 375.69μA. To jest wartość zmierzona, a jaka byłaby wartość wynikająca z obliczeń? Sprawdźmy!
- mieliśmy cztery rezystory: 6.2kΩ, 24kΩ oraz dwa 9.1kΩ
- założone napięcie zasilania to 18V
- z prawa Ohma możemy policzyć prąd
Myślę, że każdy już kojarzy wzór wynikający z prawa Ohma. Jeśli nie to polecam zajrzeć do podlinkowanego w poprzednim zdaniu artykułu. Warto.
$\rm{U=I \cdot R}$
$\rm{I= \frac{U}{R}}$
$\rm{I=\frac{18V}{48.4kΩ}}$
$\rm{I \approx 0,0003719A}$
$\rm{I \approx 0,000372A}$
$\rm{I \approx 372μA}$
Prąd, jaki zmierzyliśmy, był rzędu 376μA, natomiast obliczony wynosi 372μA. Bliziutko. Przy okazji widać jeszcze jedną rzecz. Napięcia to jedno, a prądy… No właśnie – prądy. Co by było gdyby obciążyć czymś dzielnik? Albo zewrzeć któreś z jego wyjść? Tę zagadkę pozostawiam otwartą. Odpowiedź na nią znajdziesz w następnym wpisie.
Słów kilka na koniec…
Miał być krótki przykład, a wyszedł niezły artykuł, co? Mam jednak nadzieję, że pomogę wielu z Was, a zahaczając o inne tematy, nie zanudzam. O dokładności pomiarowej na pewno niejedno jeszcze napiszę. Szmat czasu temu zacząłem cykl o pomiarach i do tej pory jakoś go nie skończyłem. Kiedy uporam się zaplanowanymi na najbliższą przyszłość wpisami to akurat będzie czas, by się pomiarami zająć.
Jeśli artykuł Ci się podobał, uważasz go za przydatny i przystępny – daj znać w komentarzu. Wpadnij też na fanpejdż i daj łapę w górę. Piątka!














