Ostatnio skrupulatnie przyglądaliśmy się prądom i napięciom, jakie śmigały sobie w dzielniku napięć. Tak było przy omawianiu pierwszego przykładu. Dziś będzie nieco mniej szczegółowo. Krócej będzie.
W poprzednich wpisach zajmowaliśmy się dzielnikiem napięć. Gwoli przypomnienia były to następujące artykuły:
- „Dzielnik napięcia na rezystorach”
- „Dzielnik napięcia – pierwszy przykład”
- „Dzielnik napięcia – pierwszy przykład – rozwiązanie zagadki”
Dziś nie może być inaczej. Obiecałem, że omówię trzy przykłady związane z rezystorowym (a może rezystancyjnym) dzielnikiem napięć? Tak. To obietnicy trzeba dotrzymać. Dziś drugi z trzech zapowiadanych przykładów. Jeśli nie widziałeś poprzednich, albo hasło „dzielnik napięć” jest Ci obce to nie wahaj się skorzystać z wcześniej podanych linków. Tymczasem…
Dzielnik napięcia – drugi przykład
Tak to już w życiu bywa, że gdy czegoś potrzebujesz, okazuje się, że… Albo tego nie ma, albo zepsute, albo sprzedane (hehe). Tak jest i w tym przypadku. Miałeś całą garść rezystorów. Ba! Dziesięć garści, a konkretniej całe pudło wszelkiej maści elementów elektronicznych. Jednakże co było, a nie jest nie pisze się w rejestr. Nie masz też zasilacza do laptopa, ani ładowarki do MP3. Zdarza się. Płakać nie będziesz. Przecież jesteś przyszłym władcą elektronów, masz ratować świat niczym Doktor Strange.
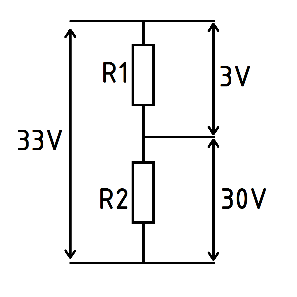
Tak się jakoś złożyło, że masz stary zasilacz do drukarki. Taki dwudziestoczterowoltowy. Żeby było jeszcze ciekawiej, pozostaje Ci jeszcze do dyspozycji poczciwa bateria 9V. Nic więcej. Potrzebujesz dwóch napięć: 30V i 3V. Trzydziestoma woltami chcesz zasilić laptopa, natomiast trzema woltami empetrójkę. Dziwne? Nie wnikajmy w szczegóły. Tak bywa.
Przeszukując w pocie czoła całe mieszkanie odnajdujesz też kilka kabelków i garść rezystorów, które przecież przehandlowałeś kiedyś. No cóż, dobre i tyle. Okazuje się, że masz do dyspozycji po kilka sztuk rezystorów: 300Ω, 1MΩ, 270kΩ, 330kΩ, 43Ω, 47Ω, 100kΩ i 1.5Ω. Wszystkie ćwierćwatowe. Wszystkie o tolerancji znamionowej równe 5%. Pińć procent.
Podsumowując…
- źródła zasilania: 24V, 9V (w sumie 33V)
- napięcia wyjściowe: 30V, 3V
- rezystory: 300Ω, 1MΩ, 270kΩ, 330kΩ, 43Ω, 47Ω, 100kΩ, 1.5Ω
Najpierw schemat
Na początek narysujemy schemat, a co sobie będziemy żałować.
Znamy napięcie wejściowe, mamy założone dwa napięcia wyjściowe. Teraz przydałoby się jeszcze dobrać jakieś rezystory. Dobrać, czyli… Policzyć? Oszacować? Trzymajmy się słowa „dobrać”, bo chyba najlepiej zobrazuje to, co za chwilę zrobimy.
Zauważ pewien ciekawy fakt. Na wyjściu chcemy uzyskać dwa różne napięcia: 3V i 30V. Co je łączy? Jedno jest większe od drugiego dokładnie 10 razy. Patrząc z innej perspektywy, na wyjściu chcemy uzyskać stosunek napięć 1:10. Taki też powinien być stosunek wartości rezystancji. Jeśli na rezystorze $\rm{R_{1}}$ oczekujemy spadku napięcia 3V to rezystancja $\rm{R_{2}}$ musi być 10 razy większa od $\rm{R_{1}}$. Które rezystory pasują do tej układanki? Przypominam, że do dyspozycji mamy:
- 300Ω
- 1MΩ
- 270kΩ
- 330kΩ
- 43Ω
- 47Ω
- 100kΩ
- 1.5Ω
Jeden musi być dziesięć razy większy, albo mniejszy od drugiego. Zależy jak na to spojrzysz. W oczy rzucają się dwie wartości: 100kΩ i 1MΩ. Użyjemy ich do budowy naszego dzielnika. Pasują jak ulał.
No… To już koniec? W sumie dobraliśmy rezystory. Takie rezystory istnieją rzecz jasna, należą do popularnego typoszeregu E24. Moglibyśmy w tym miejscu zakończyć, ale jeszcze sobie porozkminiamy to i owo.
Jeszcze trochę teorii
Wcześniej sprawdzimy, jakie wartości napięć możemy uzyskać, wykorzystując rezystory o tolerancji 5%. Mamy rezystancje 100kΩ i 1MΩ.
- rezystor 100kΩ o tolerancji 5% to możliwy zakres od 95kΩ do 105kΩ
- rezystor 1MΩ o tolerancji 5% to możliwy zakres od 950kΩ do 1050kΩ
Najpierw rozpatrzymy sobie dwa skrajne przypadki. Pierwszy, w którym obie rezystancje przyjmują najniższe możliwe wartości, czyli 95kΩ i 950kΩ. Drugi to oczywiście wartości maksymalne, czyli 105kΩ i 1050kΩ. Jak myślisz, jakie będą wartości napięć wyjściowych? Bardzo się zmienią? Da się to jakoś szybko oszacować?
Otóż wartości napięć wyjściowych, ani w jednym, ani w drugim wypadku nie zmienią się w ogóle! Jak to możliwe? Zauważ, że mimo zmiany wartości obu rezystancji, zachowane są stosunku pomiędzy nimi. Jeden rezystor jest większy od drugiego dziesięciokrotnie. Basta. W takim wypadku napięcia będą się zgadzać. Dzielnik będzie dzielił napięcie wejściowe, na dwa różne napięcia wyjściowe. Stosunek napięć na wyjściu to 1:10.
Mielibyśmy inną sytuację, gdyby np. jeden rezystor miał 102kΩ, a drugi 976kΩ. Sprawdźmy, jakby to wówczas wyglądało. Schemacik, bardzo proszę.
Na wejściu cały czas mamy 33V. Tak naprawdę mówiliśmy o dwóch źródłach napięcia połączonych szeregowo (24V i 9V), ale nam wystarczy ich suma. No to lecimy. Pod wiatr!
$\rm{U_{WY1}=U_{WE} \cdot \frac{R_{1}}{R_{1}+R_{2}}}$
$\rm{U_{WY1}=33V \cdot \frac{102kΩ}{102kΩ+976kΩ}}$
$\rm{U_{WY1}=33V \cdot \frac{102kΩ}{1078kΩ}}$
$\rm{U_{WY1}=33V \cdot 0.09}$
$\rm{U_{WY1}=2.97V}$
No cóż, na dobrą sprawę różnica jest niewielka. Zamiast 3V mamy 0.03V mniej. Drobnostka. Sprawdźmy jeszcze drugi rezystor. Możemy to zrobić w bardzo szybki sposób. Wiemy już, jaki będzie spadek napięcia na pierwszym rezystorze. Napięcie wejściowe też znamy. Cudów nie ma. Liczymy.
$\rm{U_{WY2}=U_{WE}-U_{WY1}}$
$\rm{U_{WY2}=33.00V-2.97V}$
$\rm{U_{WY2}=30.03V}$
Miało być 3V, wyjszło niewiele więcej. Tragedii nie ma.
Jak widać nawet przy sporych odchyleniach od rezystancji znamionowej, nie uzyskujemy dużych różnic napięć wyjściowych. Wszystko zależy od zastosowania, ale w większości przypadków różnice rzędu 0.03V nie powinny stanowić problemu.
Na koniec, bez podziałów…
Dziś było dużo krócej. Mam nadzieję, że równie zrozumiale, co poprzednim razem. Cóż, nie przedłużam. Niebawem pojawi się ostatni, trzeci przykład. Co po nim? Z pewnością coś o komparatorze, przerzutniku i tranzystorze. Będzie smakowicie, zaufaj mi.
Wpadnij też na fanpejdż! O tutaj – elektoniczny.eu.
